ȸ»ç ¼Ò°³| Á¦Ç° ¼Ò°³| ±â¼ú ÀÚ·á ¹× FAQ| īŻ·Î±× ¿äû ¹× µµ¸é ã±â| ´Ö¼¼ÀÌ º»»ç ȨÆäÀÌÁö| ½Å¸í´Ü(±ÝÇü½ÀÇÕÁ¦)
±â¼ú ÀÚ·á ¹× FAQ
 
ÀÛ¼ºÀÏ : 15-10-26 11:25
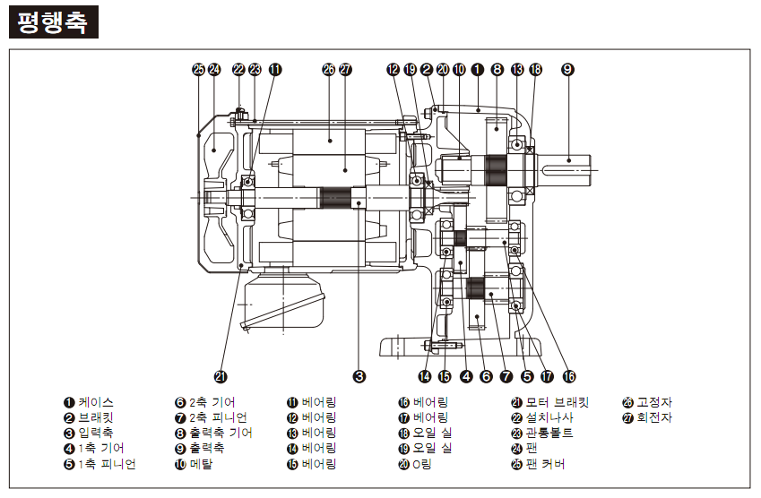
IE3 0.75kw ~ 2.2kw ³»ºÎ ±¸Á¶ ¹× ¸íĪ
 ±Û¾´ÀÌ : °ü¸®ÀÚ
Á¶È¸ : 5,829  

IE3 0.75kw ~ 2.2kw ³»ºÎ ±¸Á¶ ¹× ¸íĪ


 
   
 

´ëÇ¥ : À̼ø¿ì | »óÈ£ : ÁÖ¿µ»ê¾÷ | »ç¾÷ÀÚ¹øÈ£ : 605-44-69088 | TEL : [º»»ç]051) 516-9178, [¼­¿ï]02) 807-9178 [°æ³²]055) 365-9178 FAX : 051) 516-9173
ÁÖ¼Ò : [46218] ºÎ»ê±¤¿ª½Ã ±ÝÁ¤±¸ ±Ý°­·Î 758 701È£(û·æµ¿, ³²È­ºôµù 6Ãþ) 701(6F) Namhwagisu Tower, 758 Geumgang-ro, Geumjeong-gu, Busan, Rep. of Korea
copyright¨Ï2015 ÁÖ¿µ»ê¾÷ all rights reserved.